Kolečko pro lehká transportní zařízení 125mm, pevné, plotýnka, 3378POR125P62 bílé
Kód: 904779Související produkty
Detailní popis produktu
Pevné kolečko, Vidlice vyrobena z ocelového výlisku, pozinkováno, kolo uchyceno středovým šroubem s maticí, uchycení s plotýnkou. Střed kolečka vyroben z polypropylénu, jehlové ložisko
Doplňkové parametry
| Kategorie: | Kolečka pro lehká transportní zařízení |
|---|---|
| Hmotnost: | 0.53 kg |
| Průměr kolečka: | 125 mm |
| Stavební výška: | 155 mm |
| Dynamická nosnost: | 200 kg |
| Šířka běhounu: | 40 mm |
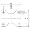
| Velikost plotny: | 103 x 85 mm |
| Rozteč děr: | 80/77 x 60 mm |
| Průměr děr: | 9 mm |
| Teplota: | - 20 / + 60 °C |
| Standard: | EN 12532 |
| Tvrdost běhounu: | Shore D 65 |
| Statická nosnost: | 400 kg |
Buďte první, kdo napíše příspěvek k této položce.
Pouze registrovaní uživatelé mohou vkládat příspěvky. Prosím přihlaste se nebo se registrujte.
LEPŠÍ MOBILITA V PRÉMIOVÉ KVALITĚ
TENTE věří v chytré řešení mobility, která znatelně zkvalitňuje životy lidí a jejich
pracovní prostředí. TENTE řešení zvyšují produktivitu, zajišťují bezpečnost a odkrývají
nové obzory ve věcech designu a odolnosti stejně jako šetrnosti k životnímu prostředí.
Přední výrobci a firmy z různých průmyslových odvětví se spoléhají na tyto faktory a
naši vysokou kvalitu produktů.
Na následujících stránkách najdete technické informace, produktové listy návody a ceny o naší produktové řadě Alpha.
Také Vám představíme hodnotu, kterou toto řešení mobility nabízí Vaší organizaci.
Ergonomickou přívětivost - Kola s optimalizovaným valivým odporem pro snížení zatížení uživatele.
Plynulost použití - Ložisko otočné hlavy s protiprachovým kroužkem pro nepřetržitý a nepřerušovaný
pohyb.
Testovanou kvalitu - Testováno v naší vlastní laboratoři kvůli dodržení Evropských standardů.
